Při dlouhodobém beznapěťovém skladování, případně dlouhé odstávce přístroje dochází v elektrolytickém kondenzátoru k částečnému rozpuštění dielektrické vrstvy Al2O3, tzv. odformování. Takto odformovaný kondenzátor je nutno před použitím, nebo zapnutím dlouho odstaveného přístroje znovu naformovat. K formování je potřeba zdroj, který dokáže produkovat napětí maximalního provozního napětí kondenzátoru s proudovým omezením. Proudové omezení záleží na typu formovaného kondenzátoru.
Pro elektrolyty do 5000uF používám 15mA a pro větší až 30mA. Kondenzátory 15mF 80V jsem formoval proudem až 50mA. . Naopak kondenzátory 5000uF 50V ze zesilovačů AUJ635 jsem formoval proudem 20mA a to dva kondenzátory najednou, což není nejlepší řešení...
Procházející proud postupně klesá s formováním dielektrické vrstvy, kondenzátor za stálé kontroly proudu necháme připojen na jmenovité napětí tak dlouho, dokud zbytkový proud neklesne na hodnotu danou katalogovým listem.
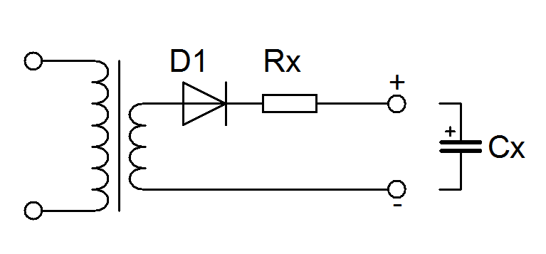
Schéma formovačky elektrolytů, kde Rx se volí podle požadovaného proudu a Cx je formovaný kondenzátor. Napětí je třeba zvolit tak, aby bylo dosaženo jmenovité napětí na kondenzátoru.

Formování elektrolytů 5000uF/50V ze zesilovače AUJ 635

Detail nápisu
