Po delší době jsem se odhodlal je stavbě dalšího Teslova transformátoru. Mám za sebou úspěšně několik SGTC a VTTC tak padla jasná volba pro polovodičové buzení. Jelikož s tímto typem nemám moc zkušeností, začal jsem s poměrně jednoduchým, ale účinným zapojením. Pro tyto účely jsem navinul zcela novou sekundární cívku a to s průměrem 125mm délkou vinutí 475mm a drátem o průměru 0,2mm. Na cívce je tedy navinuto přibližně 2375 závitů a rezonanční frekvence se pohybuje někde kolem 140kHz. Tak velký sekundár jsem zvolil proto, jelikož bude použit i pro další zapojení SSTC a již v tuto chvíli, co píšu tento článek, tak se pracuje na novém budiči.
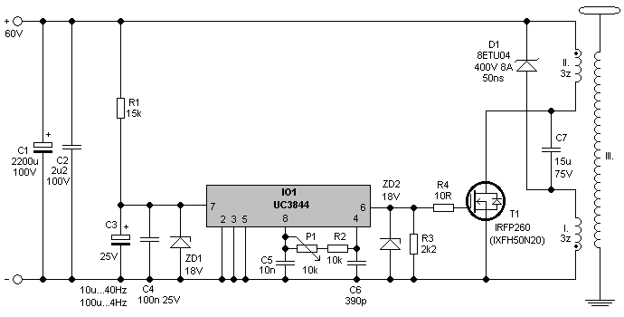
Zvolil jsem jednočinné zapojení od Danyka. Jedná se o přerušované SSTC řízené obvodem UC3844. Obvod zajišťuje oscilaci i přerušování zároveň. Pracovní frekvence se nastavuje pomocí potenciometru P1. Rozsah ladění je s uvedenými součástkami 100-200kHz. Primár je 5cm nad začátkem sekundáru a je vinut dvojitě po 3 závitech. Použil jsem tranzistor IRFP260 a rychlou diodu BYW80-200. O napájení se stará 300VA toroid, na který jsem přivinul několik závitů. Dává naprázdno 53VAC, po usměrnění a filtraci je to 70V. Výboje jsou dlouhé přes 10cm.
Schéma ISSTC:
Pro přesměrování na původní autorův článek klikni na schémaElektronika v krabičce:

Je to jen provizorní řešení, jelikož není v plánu elektroniku zachovat. Při stavbě dalšího budiče bude tento rozebrán. Nechtěl jsem to mít zdrátované na podlaze...
Celek:

Výboje:

Po mírném doladění:




Video výbojů: