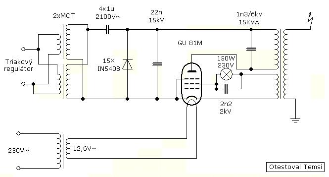
VTTC (Vacuum tube tesla coil) je Teslův transformátor s elektronkou. V mém případě se jedná o elektronku GU81M, což je pentoda s anodovou ztrátou 450W. Více o této elektronce naleznete
ZDE. K napájení jsou použité dva paralelně spojné MOTy se zdvojovačem. Dále následuje blokovací kondenzátor 22n/15kV poskládaný z MMC. Žhavení elektronky zajišťuje trafo 12V/26A (315VA), které dává naprázdno 13V a po zatížení elektronkou klesne na 12,5V. Elektronka pracuje v triodovém zapojení, tzn. že mřížky G1 a G2 jsou spojeny. Jako mřížkový odpor slouží žárovka 150W/230V. Sekundár je navinut drátem 0,5mm (+- 800z) na šířce 8cm o délce 40cm. Primár je vinut na PVC o průměru 18cm, na ní jsem navinul 40z s odbočkami. Pod primárem se nachází FB vinutí s 17z také s odbočkami. Rezonanční kondenzátor obsahuje dva pulzní kondenzátory 680p/6kV/15kVA paralelně. K regulaci výkonu je použitý jednoduchý triakový regulátor. Výboje přeskakují 30cm pravítko.
Schéma:

Fotky během stavby a po dokončení, konstrukci tvoří dvě dřevotřískové desky


Fotky výbojů


A na závěr natočené video VTTC v provozu: